设计特点
- 单级减压结构
- 膜片:PTFE和氯丁橡胶双层结构
- 母体接口螺纹:输入:1”NPT 内螺纹;输出: 1/4”NPT 内螺纹
- 内部结构易于清洁
- 内设过滤网
- 面板安装或墙面安装
典型用途
气体汇流系统,石油化学工业和测试设备
规格
- 最大输入压力:500psi
- 输出压力: 0-25, 0-50, 0-100, 0-125, 0-250psi
- 安全测试压力: 最大额定压力的1.5倍
- 工作温度:-10 + 250 deg F (-23 +121 deg C)
- 内部隙漏测试:泡沫测试
- 流量:Cv = 5.1
材料
- 母体:SS 316L, 黄铜
- 上盖:SS 316L , 黄铜
- 膜片: NBR, 尼龙喷涂
- 过滤网:SS 316L (10um)
- 底座: NBR
- 弹簧: SS 316L
- 阀芯顶杆: SS 316L
- 净重: 6 kgs
流量数据
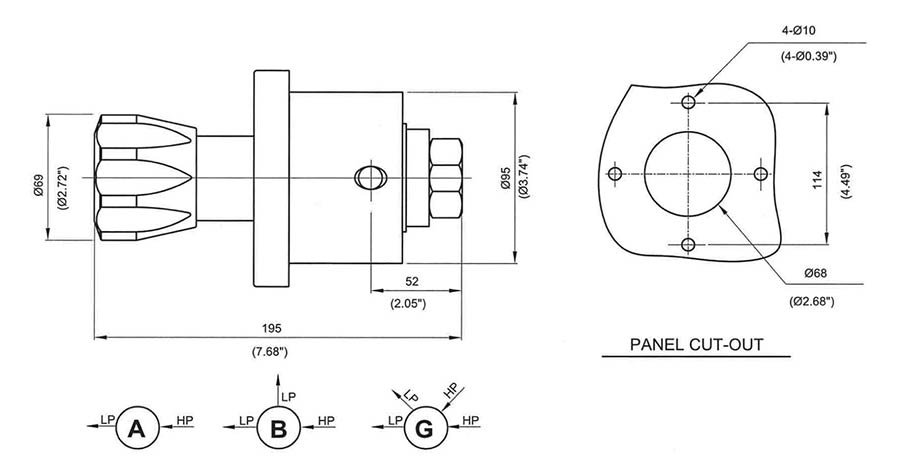
产品尺寸







